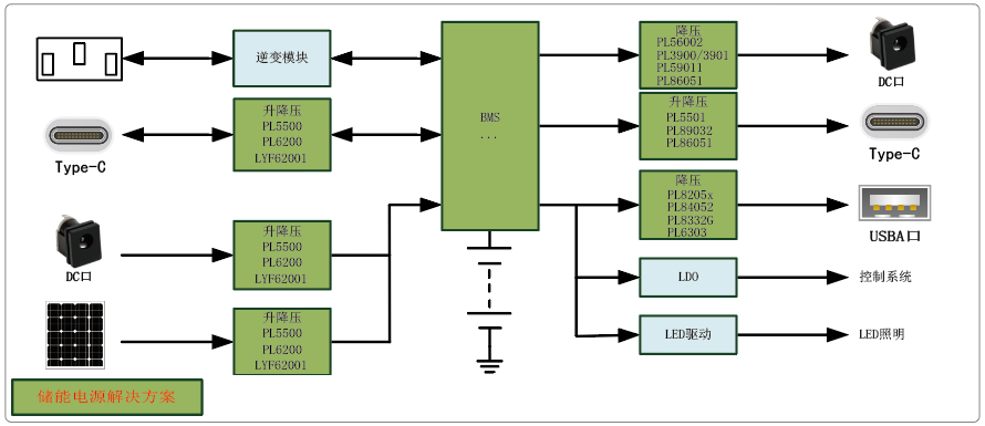
【一、儲能電源處理計劃 】 |
【 二、充電寶AC 處理計劃 】 |
【 三、充電寶AABCL 處理計劃 】 |
【 產物選型表 】
產物型號 | 輸出電壓(V) | 最大功率(W) | 產物描寫 | 封裝 | 典范利用處景 | 正文 |
PL6200 | 3.0-32 | 200 | 集玉成和談SOC 撐持AABCL端口 | QFN7x7-56 | 旅充、適配器、多口充 | / |
LYF62001 | 3.0-32 | 200 | 集玉成和談SOC 撐持AC網絡端口 | QFN5x5-40 | 多口充、車充 | / |
PL93056 | 3.0-24 | 45 | 集成4MOS、全和談SOC | QFN6x6-42 | 挪動電源、儲能電源 | / |
PL94056 | 3.0-32 | 45 | 集成4MOS、全和談SOC | QFN6x6-42 | 挪動電源、儲能電源 | / |
PL5500 | 3.5-32 | 200 | 起落壓節制器 | QFN4x4-32 | 挪動電源、儲能電源 | / |
PL56002 | 3.5-32 | 200 | 降壓節制器 | QFN3x3-20 | 儲能電源 | 功效兼容:SC8001/SC8002 |
PL84052 | 3.5-32 | 30 | 降壓轉換器 | QFN5x5-32 | 車充、多口充、儲能電源 | 功效兼容:TPS54540/LMR14050 |
PL59011 | 12-100 | 200 | 降壓節制器 | ETSSOP20 | 儲能電源 | 功效兼容:LM5116/MP9928 |
PL3900 | 4.5-100 | 500 | 升、降壓節制器 | QFN4x5-28L | 儲能電源 | Pin兼容:LTC3787 |
PL3901 | 4.5-100 | 250 | 升、降壓節制器 | QFN3x4-20L | 儲能電源 | Pin兼容:LTC7800 |
PL86051 | 12-60 | 100 | 降壓轉換器 | QFN5x5-32 | 儲能電源 | 功效兼容:TPS54560 |